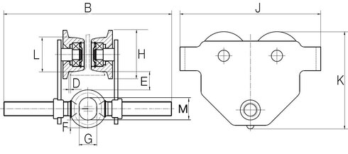
Push trolley

Push trolley for IPE and T beams. The wheels are equipped with duration lubricated ball bearings. The hoist or lifter can be attached directly to the trolley eye with a hook or a shackle.

Show more

Part code:

Push trolley for IPE and T beams. The wheels are equipped with duration lubricated ball bearings. The hoist or lifter can be attached directly to the trolley eye with a hook or a shackle.

  • Material: Steel
  • Marking: According to standard, CE-marked
  • Temperature range: -10°C - (+)50°C
  • Finish: Painted, yellow
  • Standard: EN 13157
  • Safety factor: 4:1

AXEL OF THE TROLLEY

Product code Thread  Thread pitch mm
SIVA05H M24 1,5
SIVA10H M30 1,5
SIVA20H M36 1,5
SIVA30H M42 2
SIVA50H M48 2

Note! One end is left-hand thread and the other end is right hand thread

Download Document